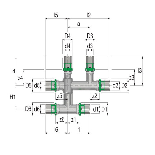
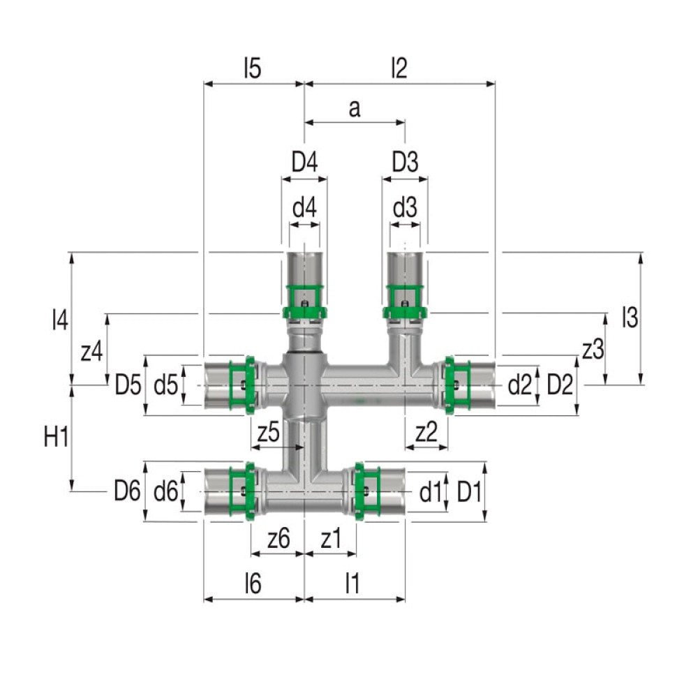
Пресс крестовик COMAP 20х16х20 мм
Линейка латунных пресс-фитингов размером от 16 до 75 мм. Пресс-фитинги MultiSkin совместимы с пресс-профилями TH, H и U. Мгновенный контроль соединения с помощью кольца Visu-Control. Низкие потери давления.
Пресс-фитинги позволяют создать соединение за семь секунд и устраняют риски, связанные со сварочными работами. Пресс-фитинги совместимы с профилями TH, H и U и с инструментами различных брендов. Улучшенная гидравлика и меньшие потери давления (в среднем на 17% по сравнению с предыдущим поколением).
Съемное кольцо Visu-Control® обеспечивает возможность визуального и тактильного контроля соединения. Технология "не обжат — не герметичен": при отсутствии соединения пропускает воду в ходе испытаний под давлением. Защитный колпачок предотвращает от загрязнений.
Характеристики




