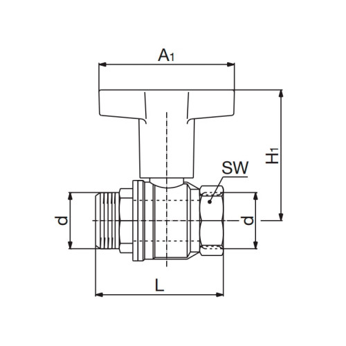
Полнопроходной шаровой кран Oventrop Optibal 1077306 3/4" НР/ВР с внутренней/наружной резьбой оснащён высокой Т-ручкой из пластамассы цвета «антрацит» с вмонтированной в неё красной крышкой с надписью "Oventrop". Выполняет запорно-регулирующую функцию в системах водоснабжения, отопления и охлаждения. Размер резьбового присоединения составляет 3/4", условный диаметр трубы - 20 мм. Термин "полнопроходной" оправдывает себя: пропускная спосособность шарового крана 3/4" - 43 м3/час!
Двухсекционный корпус крана выполен из никелированной латуни, шар - из хромированной латуни. Шаровое уплотнение изготовлено из тефлона (PTFE), уплотнительные кольца - из фторкаучука ("Витона").
Благодаря специальной конструкции и материалам шаровой кран Oventrop Optibal обладает отличными эксплуатационными характеристиками: рабочим давлением до 20 бар для холодной воды, до 16 бар для горячей среды с температурой до 100°C и до 10 бар для воздуха и других неопасных газов. Чтобы не повредить трубопроводы и арматуру, не допускайте замерзания среды внутри крана.
Характеристики




