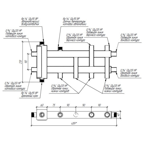
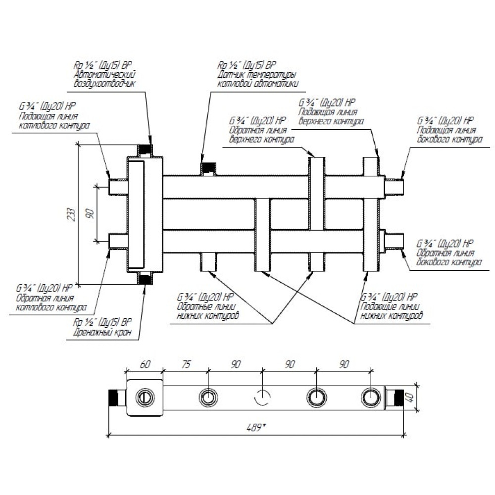
Коллектор нержавеющий Gidruss BMSS-40-4DU до 40 кВт 3/4" 4 контура
Гидрострелка на 3-4 контура BMSS-40-4DU (балансировочный коллектор 2+1+1) предназначена для систем отопления на базе настенного газового или электрического котла.
Максимальная подача, м3/ч - 1.7
Максимальная отапливаемая площадь, м² 250
Магистральное присоединение - G 3/4″ (НР)
Подключение потребителей - G 3/4″ (НР)
Количество контуров - 4
Мощность максимальная, кВт 40
Вылет от стены, мм 50-65
Межосевое расстояние, мм 90
Доп. присоединение - 1/2" ВР
Характеристики






