Коллектор нержавеющий Gidruss BMSS-150-5DU до 150 кВт 1 1/2" 5 контуров
Гидрострелка с коллектором из нержавейки - балансировочный коллектор объединяет в себе функционал гидрострелки и распределительного коллектора применятся в системах отопления частных домов, гостиниц и прочих коммерческих объектов со сроком эксплуатации более 50 лет.
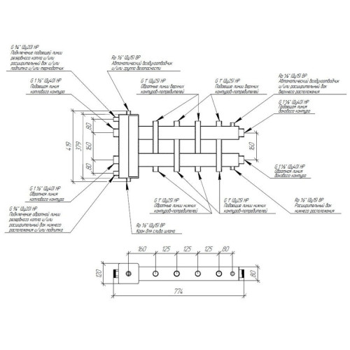
Боковой контур повышенной производительности G 1 1/2″ позволяет подключать мощные потребители, такие как теплообменники для подогрева бассейнов и вентиляции, а так же расширять кол-во потребителей при расширении хозяйства путем транзитного присоединения любого модульного коллектора серии MKSS-150.
Максимальная подача ,м3/ч - 6.4
Максимальная отапливаемая площадь, м² 1200
Магистральное присоединение G 1 1/2″ (НР)
Подключения потребителей - G 1″ (НР)
Количество контуров - 5
Мощность максимальная, кВт 150
Вылет от стены, мм 90-120
Межосевое расстояние, мм 125/160
Доп. присоединение - 1/2" ВР
Характеристики






