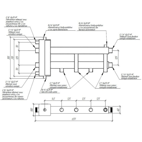
Коллектор нержавеющий Gidruss BMSS-100-3D до 100 кВт 1 1/4" 3 контура
Нержавеющий балансировочный коллектор представляет из себя гидрострелку до 100 кВт с распределительным коллектором. Боковой контур повышенной производительности G 1¼″ позволяет подключать мощные потребители, такие как теплообменники для подогрева бассейнов и вентиляции, а так же расширять кол-во потребителей при расширении хозяйства путем транзитного присоединения дополнительной секции модульных коллекторов MKSS-100.
Максимальная подача, м3/ч - 4,3
Максимальная отапливаемая площадь, м² 800
Магистральное присоединение G 1 1/4″ (НР)
Подключение потребителей - G 1 (НР)
Количество контуров - 3
Мощность максимальная, кВт 100
Вылет от стены, мм 75-95
Межосевое расстояние, мм 125
Доп. присоединение - 1/2" ВР
Характеристики






