8 (499) 136-50-55
Офис Волгоградский проспект
Режим работы
9:00-20:00
Написать нам
Наш адрес
г.Москва, Волгоградский проспект, дом 32, корпус 12
Интернет-магазин оборудования для отопления и водоснабжения
Каталог
Назад в каталог
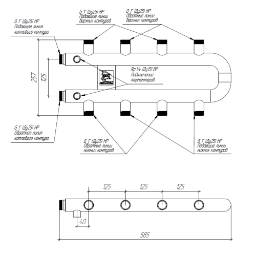
Кольцевой коллектор Gidruss для отопления на 4 контура RMSS-60-R4.TW
Кольцевой коллектор Gidruss для отопления на 4 контура RMSS-60-R4.TW
Кольцевой коллектор Gidruss для отопления на 4 контура RMSS-60-R4.TW
Кольцевой коллектор Gidruss для отопления на 4 контура RMSS-60-R4.TW

Кольцевой коллектор Gidruss для отопления на 4 контура RMSS-60-R4.TW

9 лет
на рынке
Широкий ассортимент
продукции
Доставка
по всей стране
Самые низкие
цены на рынке
Код товара: 344906
45400 ₽
В наличии

Описание

Кольцевой коллектор Gidruss предназначен для обвязки 2-4 контурной системы отопления в домах до 500 м².

Характеристики

Характеристики

Max мощность, кВт 60
Артикул товара RM 60A4R TW
Бренд товара Gidruss
Гарантия 5 лет
Диаметр резьбы 1"
Материал Нержавейка
Межосевое расстояние, мм 125
Страна производитель Россия
Тип продукта Коллекторы модульные