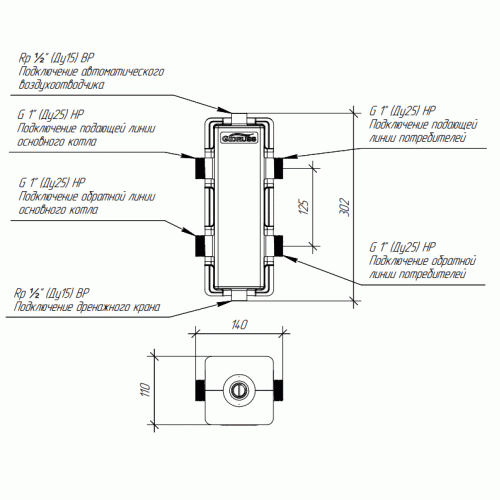
Гидрострелка нержавеющая Gidruss GRSS-60-25 EPP до 60 кВт 1" EPP-термоизоляция
Гидрострелка GR-60-25.EPP необходима в системах отопления до 500 м² для обвязки 1-2 настенных котлов общей мощностью до 60 кВт или одного напольного котла до 50 кВт с внешним насосом.
Характеристики






