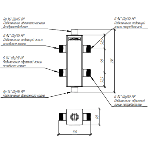
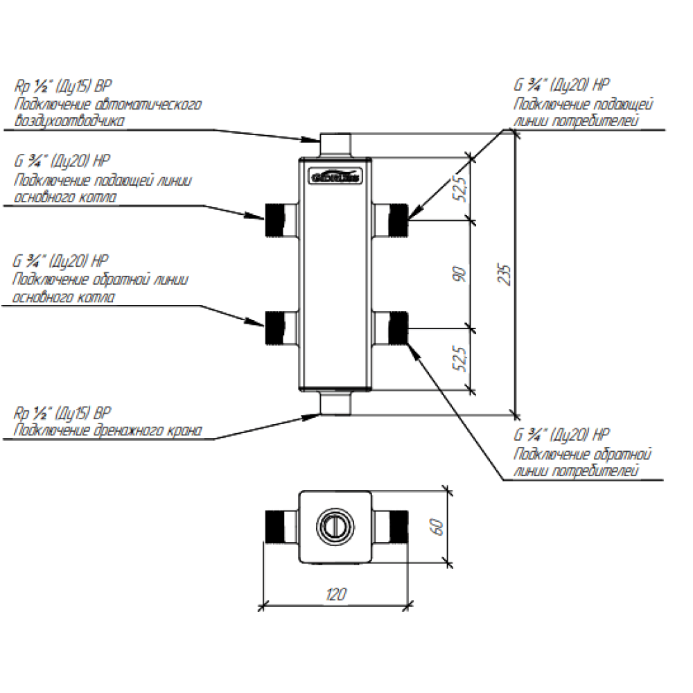
Гидрострелка Gidruss GRSS-40-20 до 40 кВт 3/4" нержавеющая сталь
Гидрострелка из нержавеющей стали GRSS-40-20 на 3/4 дюйма необходима в системах отопления до 250 м² для обвязки настенного котла 18 24 25 30 31 кВт с подачей встроенного насоса менее 1.7 м³/ч (см. график остаточных напорных характеристик циркуляционного насоса в документации Вашего котла).
Характеристики






